服务热线
搜题▪组卷
小华同学设计了一个风力测定仪,如图所示,O是转动轴,OC是金属杆,下面连接着一块受风板,无风时杆OC是竖直的,风越强,OC杆偏转的角度越大。AB是一段圆弧形电阻,P点是金属杆与弧形电阻相接触的点,测风力时,闭合开关S即可。通过分析可知:若风力增大,电流表的示数 (选填“增大”、“减小”或“不变”),电压表的示数 (选填“增大”、“减小”或“不变”),所以应该用 表示数的变化反映风力的大小。
如图所示电路,闭合开关,滑片向右移动时,灯泡的亮度将 (选填“变亮”“变暗”或“不变”).电流表A1的示数将 (选填“变大”、“变小”或“不变”),电压表示数与电流表A2示数的比值将 (选填“变“变小”或“不变”)
空气质量关乎人体健康,监测大气污染物浓度的电路如图甲所示,R0为定值电阻,R为气敏电阻,R的阻值随污染物浓度变化曲线如图乙所示。当污染物浓度增大时,电压表的读数将 (选填“变大”、“变小”或“不变”),此过程中电路总功率 (填“变大”“变小”或“不变”)。
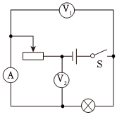
如图所示电路中,电源电压恒定,R1为定值电阻,R2为滑动变阻器。闭合开关S后,滑动变阻器滑片P自a向b移动的过程中,电压表V2的示数 ,电压表V1的示数与电流表A的示数之比 ,电路消耗的总功率 。(均选填“变大”、“变小”或“不变”)。
| 九年级女生测试等级 | 不合格 | 合格 | 良好 | 优秀 |
| 挡板P移动距离L/cm | <3.7 | 3.7≤L≤16.7 | 16.7<L<20.1 | ≥20.1 |

为了测定风速大小,小明设计了如图所示的装置。装置中探头、金属杆和滑动变阻器滑片P相连,可上下移动。该装置利用了流体流速越大,压强越 的原理,当风吹过探头时,风速越大,电压表的示数 (选填“越大”、“越小”或“不变”)。
在如图所示电路中,电源电压保持不变,闭合开关S,当滑动变阻器的滑片P向左移动时,电压表V1的示数将 (选填“变小”、“不变”或“变大”);电压表V1示数与电压表V2示数的差值跟电阻R1两端电压的比值 (选填“大于1”、“等于1”或“小于1”)。在移动滑片的过程中,观察到两个电压表示数的差值从6V变到9V,电流表的示数变化了0.3A,则电阻R1为 Ω,R1变化的功率为 W。
把电池组、电流表,电压表三个元件的符号填入图所示的电路中,使得电路接通后,电流方向如图中箭头I所示,且移动滑动变阻器的滑片P,使小灯泡L变亮时,电压表的示数变小。
如图所示是一种自动测定油箱内油量多少的装置,R1是滑动变阻器,从油量表指针所指的刻度,就能知道油箱内油量的多少。油量表实质相当于 表;当油量减少时,R1接入电路的电阻 (选填增大”或“减小”),油量表示数变小;定值电阻R2可以避免电路 (选填“断路”或“短路”),起到保护电路的作用。如果想用电压表的变化来间接显示油量的变化,那么电压表应该与电阻 (选填“R1”或“R2”)并联。
如图是某一电子测力计的电路原理图(弹簧形变量与压力F成正比),AB间的弹簧中间有可收缩的导线将R2接入电路。使用时B板固定不动,当A板上的压力F=0时,滑片P位于R2的最上端,已知R1=10Ω,R2的最大阻值为50Ω,电压表选用0~15V量程,电源电压为6V不变,开关S闭合。若A板上受到的压力F增大时,测力计上 (选填“只有电流表”或“只有电压表”或“电流表和电压表”)示数将增大。当电压表示数最大时,通电5min,在整个电路中电流做功为 J。把电压表盘改装为压力示数盘,使压力增大时,压力计的示数随指针向 (选填“左”或“右”)摆动,改装后的压力计表盘刻度是 (选填“均匀”或“不均匀”)的。
如图所示,电源电压不变,闭合开关S,将滑动变阻器的滑片向左滑动,电压表V1的示数将 ,电压表V2的示数和电流表A的示数的比值将 。(均选填“变大”、“变小”或“不变”);当滑片移动到某一位置时,V1的示数是2.5V,V2的示数是2V,A1的示数是0.5A,此时灯泡的实际功率为 W。若灯泡突然熄灭,电流表A和电压表V2均无示数,电压表V1示数增大,则故障为 。(选填“灯泡短路”、“灯泡断路”或“滑动变阻器断路”)
sa@dyw.com
2024-02-07
初中物理 | 九年级上 | 填空与作图题