服务热线
搜题▪组卷
如图1所示是小明家厨房新装的即热式电热水龙头,它的特点是即开即有热水,无需提前预热,而且可以通过调节水流大小调节水温,不需要调节加热电阻大小。其部分参数如表所示(忽略温度对电阻的影响):| 额定电压 | 220V |
| 额定功率 | 2200W |
| 最高水温 | 35℃ |
=2.4kW=2400W;
如图是一款摄像机自主启动装置的简化电路图,电源电压恒为12V,RP是红外线探测电阻,R是定值电阻,阻值为8Ω。当R两端的电压为8V时,摄像机自主启动拍摄。求摄像机启动拍摄时:
电热壶是家中常用的用电器。如表格所示是小强家中一台电热壶的铭牌,其内部简化电路如图甲所示,S0为温控开关,其中R1和R2都是电热丝(不考虑温度对电阻的影响),电路在不同情况下的功率大小如表格所示:| 额定电压 | 220V | |
| 额定功率 | S、S0闭合 | 1331W |
| S闭合、S0断开 | 121W | |
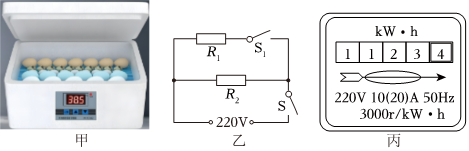
研学活动中,小梦对爸爸单位新发的电热水壶(图甲)进行了观察研究,图乙为小梦根据功能介绍设计的简化电路,R1、R2均为发热电阻丝,S1为总开关(未画出),S2为温控开关,1、2分别为温控开关的两个接触点。| 型号 | SDS-15X05 |
| 额定电压 | 220V |
| 保温功率 | 100W |
| 加热功率 | 1100W |

电热杯垫有加热和保温两挡功能(通过闭合或断开有关开关来实现该功能),通过USB接口接到电脑上可以随时喝上热饮。杯垫内部简化电路如图所示,R1、R2为加热元件,USB接口的输出电压为5V,R1电阻10Ω,当处于加热状态时,整个电路消耗的功率为7.5W。求:
| 整车质量 | 1600kg |
| 电机功率 | 75kW |
| 每个车轮与地面的接触面积 | 0.02m2 |
| 0~100km/h加速时间 | 约9.2s |
| 最高车速 | 140km/h~185km/h |
| 耗电量 | 25kW•h/100km |
lwx@dyw.com
2024-06-19
初中物理 | | 解答题