服务热线
搜题▪组卷


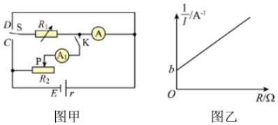
某同学要测量一节干电池的电动势和内阻,备有下列器材:
| U/V | 1.11 | 1.05 | 0.88 | 0.72 | 0.56 |
| I/mA | 0.30 | 0.40 | 0.60 | 0.80 | 1.00 |





| 序号 | 1 | 2 | 3 | 4 | 5 | 6 |
| 电压U(V) | 1.45 | 1.40 | 1.30 | 1.25 | 1.20 | 1.10 |
| 电流I(A) | 0.060 | 0.120 | 0.240 | 0.260 | 0.360 | 0.480 |





dygzwlgr
2015-03-19
高中物理 | | 实验题