首页 | 客服 | 上传赚现
AI助手
德优题库AI助手

AI助手

搜题▪组卷

(1)

服务热线

400-816-0029

    自建题库,共享分红

德优题库QQ交流群

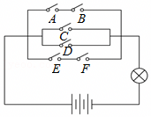
237141. (2021•西工大附中•高二上期中) 一个电路如图所示,ABCDEF为6个开关,其闭合的概率为,且是相互独立的,则灯亮的概率是             .

共享时间:2021-11-14 难度:1
[考点]
相互独立事件和相互独立事件的概率乘法公式,
[答案]

[解析]
解:一个电路如图所示,ABCDEF为6个开关,
其闭合的概率为,且是相互独立的,
则灯亮的概率是:
P=1﹣[(1﹣)×()×]=
故答案为:
[点评]
本题考查了"相互独立事件和相互独立事件的概率乘法公式,",属于"基础题",熟悉题型是解题的关键。
转载声明:
本题解析属于发布者收集录入,如涉及版权请向平台申诉! !版权申诉
231807. (2025•雁塔二中•高二下一月) 设某公路上经过的货车与客车的数量之比为2:1,货车中途停车修理的概率为0.02,客车为0.01.今有一辆汽车中途停车修理,该汽车是货车的概率为       
共享时间:2025-04-27 难度:1 相似度:2
232326. (2023•铁一中学•高三上二月) 甲、乙两人独立解某一道数学题,已知该题被甲独立解出的概率为0.7,被甲或乙解出的概率为0.94,则该题被乙独立解出的概率为        
共享时间:2023-12-17 难度:1 相似度:2
235953. (2020•高新一中•高三上期末) 甲乙两队正在角逐排球联赛的冠军,在刚刚结束的前三局比赛中,甲队2胜1负暂时领先,若规定先胜三局者即为本次联赛冠军,已知两队在每局比赛中获胜的概率均为,且各局比赛结果相互独立,则甲队最终成为本次排球联赛冠军的概率为              
共享时间:2020-02-04 难度:1 相似度:2
236061. (2019•西安中学•高二下期末) 一只蚂蚁位于数轴x=0处,这只蚂蚁每隔一秒钟向左或向右移动一个单位,设它向右移动的概率为,向左移动的概率为,则3秒后,这只蚂蚁在x=1处的概率为           .
共享时间:2019-07-16 难度:1 相似度:2
236731. (2016•西北大附中•高二下期末) 在10支铅笔中,有8支正品,2支次品,从中任取出两支,则在第一次抽的是次品的条件下,第二次抽的是正品的概率是            .
共享时间:2016-07-03 难度:1 相似度:2
237484. (2021•西安三中•高二下期中) 为迎接2022年北京冬奥会,某工厂生产了一批雪车,这批产品中按质量分为一等品,二等品,三等品.从这批雪车中随机抽取一件雪车检测,已知抽到不是三等品的概率为0.93,抽到一等品或三等品的概率为0.85,则抽到一等品的概率为      
共享时间:2021-05-26 难度:1 相似度:2
171100. (2024•西安三中•高二上期中) 四种电子元件组成的电路如图所示,T1T2T3T4电子元件正常工作的概率分别为0.9,0.8,0.7,0.6,则该电路正常工作的概率为             


共享时间:2024-11-16 难度:2 相似度:1.5

dygzsxyn

2021-11-14

高中数学 | 高二上 | 填空题

  • 下载量
  • 浏览量
  • 收益额
  • 0
  • 3
  • 0
相同试题
试题下载
试题内容
调用试题名称
共享人
唐老师
试题题型
解答题
试题难度
试题题源
2020*西工大*期末
下载次数
168次
下载金币
5德优币(当前结余18德优币)
温馨提示
该试题下载至自主题库后,下载、备课永久免费!
试卷设置
试卷名称
省市校区
阶段科目
年份卷型
选择类型
已选考点
在线训练
视频讲解
温馨提示
视频讲解正在加载中、请等待!
温馨提示
对不起!这是别人共享的试题,需要下载到自主题库后,可将该试题添加到白板
视频解析购买
支付方式
德优币数
本次消耗0德优币
温馨提示

客服电话:400-816-0029,服务邮箱:610066832@qq.com

视频资源

试题找茬
纠错类型
纠错描述
温馨提示
共享试题、试卷经平台审核通过后方可展示,并永久享用用户下载分红权!