服务热线
搜题▪组卷


创建生态文明城市需要我们共同关注环境。空气质量指数是环境监测的重要指标,空气质量等级是按照空气质量指数划分的,如表所示:| 空气质量指数A | 0-50 | 51-100 | 101-150 | 151-200 | 201-300 | >300 |
| 空气质量等级 | 优 | 良 | 轻度污染 | 中度污染 | 重度污染 | 严重污染 |

如图所示,电源两端电压U为9V并保持不变,电阻R1阻值为10Ω。闭合开关S

| 苹果等级划分标准 | |||
| 等级名称 | A类苹果 | B类苹果 | C类苹果 |
| 最低质量标准 | 300g | 200g | 100g |
如图所示,电源两端电压为24V,电阻R为20Ω。
中国茶文化源远流长,如图-1是某款工夫茶保温碟。电路原理如图-2所示,电阻R1为发热体,它的额定电压为220V,额定电功率为44W且电阻不变。电流通过发热体加热底板使茶汤保温,L为电功率忽略不计的电源指示灯。求:
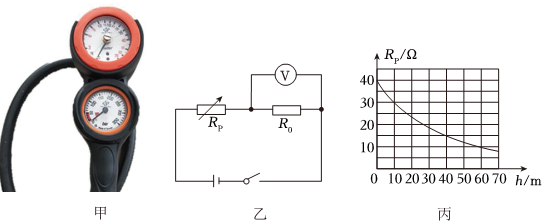
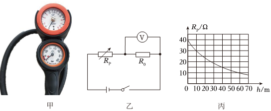
如图是一款摄像机自主启动装置的简化电路图,电源电压恒为12V,RP是红外线探测电阻,R是定值电阻,阻值为8Ω。当R两端的电压达到8V时,摄像机自主启动拍摄。求:
如图是一款摄像机自主启动装置的简化电路图,电源电压恒为12V,RP是红外线探测电阻,R是定值电阻,阻值为8Ω。当R两端的电压达到8V时,摄像机自主启动拍摄。求:
| 工作挡位 | 待机 | 1挡 | 2挡 | 3挡 | 4挡 | 5挡 | 6挡 |
| 功率P(W) | 0.9 | 23 | 44 | 75 | 110 | 121 | 148 |
| 洁净空气量Q(m3/h) | ﹣ | 120 | 240 | 360 | 500 | 610 | 760 |

?
smt@dyw.com
2024-11-13
初中物理 | 九年级上 | 解答题