服务热线
搜题▪组卷
试卷总分:80分 命题人:dyczwuyn 考试时长:120分钟
A.电磁波不能在真空中传播
B.电磁波不能传递能量
C.太阳能是可再生能源
D.风能的能量来源与太阳能无关
A.火箭使用液态氢作为燃料,是因为液态氢含有的热量多
B.0℃的水变成0℃的冰,温度不变,内能不变
C.集中供暖采用热水循环,是利用了水的比热容较大的性质
D.汽油机的压缩冲程中,内能转化为机械能
如图所示是一款迷你暖手宝,它内置锂电池,利用USB接口充电,内部发热片发热。下列说法正确的是( )
A.暖手宝充电的过程,是电能转化为化学能的过程
B.暖手宝发热的过程,是机械能转化成内能的过程
C.用USB接口给暖手宝充电时,USB接口的输出电压约为36V
D.无论暖手宝充电还是发热的过程,锂电池在电路中都是电源
在刚刚落幕的卡塔尔世界杯上,一代“球王”梅西率领阿根廷队举起了大力神杯,如图是比赛中的一个精彩的画面,下列有关说法中正确的是( )
A.足球在空中下落过程中,机械能守恒
B.足球离开运动员的脚飞出时动能转化为弹性势能
C.足球被运动员踢出时运动员对足球不做功
D.运动员争抢头球时先要高高跃起,运动员离地上升时动能转化为重力势能
A.在磁体周围放入小磁针,磁体产生磁场,取走小磁针,磁体周围的磁场就消失了
B.某一点的磁场方向就是放在该点的小磁针北极受力方向
C.磁感线是有方向的,在磁体周围的磁感线都是从磁体的南极出来,回到北极
D.磁体周围的磁感线是一系列真实存在的闭合曲线




小徐为栽种蔬菜的大棚设计了温度自动报警器,电路如图所示。下列对此设计的认识合理的是( )
A.改变控制电路的电源正负极,不影响报警器工作
B.若要提高报警温度,可以增大控制电路的电源电压
C.控制电路中的水银可以换成蒸馏水
D.工作电路中的衔铁可以用铜代替
A.电冰箱、电热水器的金属外壳不需要接地
B.使用测电笔时,手指可以碰到金属笔尖
C.为了防止触电,现在家庭电路中都安装空气开关、漏电保护器
D.保险丝是用镍铬合金制作的,当电流过大时,它由于温度升高而熔断起到保护的作用
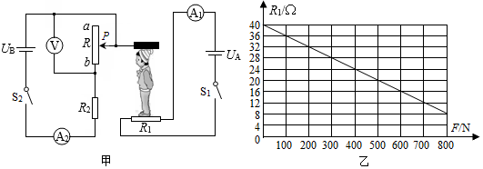
A.若用久的电源UB降低少许,则测量的身高偏低
B.若电压表的示数增大则说明小华体重大
C.若电压表的示数增大则说明小华身高低
D.若电流表A1的减小,则说明小明的体重大
如图是探究电流通过导体产生热量的多少跟什么因素有关的实验装置。通电一段时间后,左侧容器连接的U形管液面高度差较大,说明电流通过导体产生的热量跟 (填“电流”或“电阻”)有关,如果通过R1的电流为0.2A,10s内电阻R2产生的热量为 J,将R1换成10Ω的电阻,此装置 (填“能”或“不能”)探究电流产生的热量与电阻的关系。
如图所示,用A、B两个完全相同的滑轮组成的滑轮组将重240N的物体匀速提升3m,不计绳重和摩擦,每个滑轮重15N,则此过程中滑轮组的机械效率为 ,A滑轮的作用是 ,C处天花板受到滑轮A向下的拉力为 N。
图甲是小灯泡L和电阻R的电流随电压变化的图象,如果将它们串联在电路中,通过它们的电流是0.3A时,此电路电源电压是 V;若将它们按图乙所示接入另一电路中,闭合开关S、S1,通过电阻R的电流为0.2A,则小灯泡两端的电压为 V,小灯泡此时的实际功率为 W,0.1kW?h的电能可供此功率下的灯泡L工作 h。
图甲是一款瓶起子。起瓶盖时,瓶身相当于一个绕O点转动的杠杆。图乙是其简化示意图。请在图乙画中出:瓶盖上B点受到的阻力F2的大致方向;作用在A点的最小动力F1及其力臂l1。


| 实验次数 | 1 | 2 | 3 | 4 | 5 | 6 |
| 速度/(cm?s-1) | 1 | 2 | 3 | 4 | 5 | 6 |
| 电流/mA | 2.0 | 3.8 | 6.0 | 8.3 | 10.5 | 12.1 |



| 充电电压(V) | 充电电流(A) | 充电时长(min) | 充电度数(kW?h) | 充电费用(元) |
| 400 | 45 | 24.0 | 28.80 |
wb@dyw.com
2023-02-02
初中物理 | 段考 | 难度:2.71
| 下载试卷 | 收藏 |
| 平行组卷 | 细目重组 |
| 试卷分析 | 加入白板 |
| 加卷篮 | 更多功能 |
平行组卷卷生成中,请等待