服务热线
搜题▪组卷

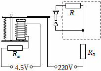
;
| 海尔滚筒式洗衣机 | |
| 电压/V | 220 |
| 洗衣功率/W | 200 |
| 脱水功率/W | 330 |
| 最大洗涤容量/kg | 5 |
| 水加热功率/W | 2000 |
如图为一款煲汤用的电热锅简化电路,额定电压是220V,S1为温控开关,发热电阻R1与R2的阻值恒定,R2阻值为44Ω,保温状态时R2的功率为11W,请解答:?
| 最大运行功率 | 40W |
| 储水箱容量 | 2.4L |
| 气雾调节器最大电阻 | 990Ω |


李老师有一种老式加热鼠标垫(内有一根加热电阻丝),鼠标垫质量为200g,规格为“5V,5W”。忽略温度对电阻的影响。求:?
| 车辆类型 | 电动车 |
| 电池类型 | 磷酸铁锂电池 |
| 续航里程 | ××千米 |
| 最大功率 | 1×105W |


| 宇航牌电饭煲 |
| 型号:YH-X50-3 |
| 额定电压:220V |
| 额定功率:880W |
| 额定容量:5L |
xl@dyw.com
2021-03-13
初中物理 | | 解答题