首页 | 客服 | 上传赚现
AI助手
德优题库AI助手

AI助手

搜题▪组卷

(1)

服务热线

400-816-0029

    自建题库,共享分红

德优题库QQ交流群

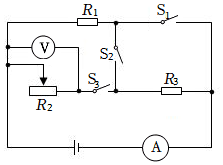
195619. (2024•交大附中•一模) 德优题库如图所示,电源电压不变,灯L1、L2完全相同。闭合S1,断开S2、S3,灯L1、L2       联的。闭合S1、S2,断开S3,电压表示数为U1;闭合S1、S3,断开S2,电压表示数为U2,则U1:U2=       
共享时间:2024-03-09 难度:4
[考点]
开关在串并联电路中的作用,串联电路中的电压规律,欧姆定律的应用,欧姆定律的多状态计算,
[答案]
串;2:1。
[解析]
解:由图知,当闭合S1,断开S2、S3,灯L1、L2是在同一条电流路径上,是串联;
闭合S1、S2,断开S3,电压表测量两个灯泡串联的总电压,示数为U1
闭合S1、S3,断开S2,电压表测量L2两端的电压,示数为U2
由于两个灯泡串联电流相等,而灯L1、L2完全相同,电阻相等,根据U=IR知,两个灯泡的电压相等,则总电压是一个灯泡电压的2倍,即U1:U2=2:1。
故答案为:串;2:1。
[点评]
本题考查了"开关在串并联电路中的作用,串联电路中的电压规律,欧姆定律的应用,欧姆定律的多状态计算,",属于"综合题",熟悉题型是解题的关键。
转载声明:
本题解析属于发布者收集录入,如涉及版权请向平台申诉! !版权申诉
考点说明
灰色代表去掉的考点,绿色代表未变动的考点,红色代表新增的考点
184685. (2024•高新一中•九上期中) 德优题库如图所示,电源电压不变,R1=6Ω,R2=12Ω。当S1闭合、S2断开时,电流表的示数为1A,则电源电压是        V;当开关S1、S2断开时,电流表的示数为0.2A,R3的阻值是        Ω;当S1、S2都闭合时,电流表的示数是        A。
共享时间:2024-11-12 难度:1 相似度:2.5
229235. (2022•西工大附中•九上期中) 德优题库如图所示,电源电压8V保持不变,电流表的量程为0~0.6A,电压表的量程为0~15V,定值电阻R1=20Ω,滑动变阻器R2的规格为“100Ω 1A”。闭合开关S3,断开S1、S2,滑动变阻器的滑片置于中点位置时,电压表的示数为4V,定值电阻R3的阻值        Ω;闭合开关S1、S2和S3,在保证电路安全的情况下,滑动变阻器R2允许接入的最小阻值为        Ω。
共享时间:2022-11-11 难度:2 相似度:1.5
228926. (2022•西工大附中•九上期中) 德优题库如图所示,电源电压8V保持不变,电流表的量程为0~0.6A,电压表的量程为0~15V,定值电阻R1=20Ω,滑动变阻器R2的规格为“100Ω 1A”。闭合开关S3,断开S1、S2,滑动变阻器的滑片置于中点位置时,电压表的示数为4V,定值电阻R3的阻值        Ω;闭合开关S1、S2和S3,在保证电路安全的情况下,滑动变阻器R2允许接入的最小阻值为        Ω。
共享时间:2022-11-27 难度:2 相似度:1.5
184276. (2023•经开一中•九上期末) 德优题库如图所示,电源电压为12V保持不变,R1=10Ω。只闭合开关S时,电流表的示数为0.3A。则R2=       Ω;当断开开关S,闭合S1、S2时,则电流表的示数为        A。
共享时间:2023-02-12 难度:2 相似度:1.5
187416. (2025•高新陆港•一模) 德优题库如图甲所示是进行“坐位体前屈”体质测试的情景。小华所在项目化学习小组设计了一个功能相似的测试模型,其原理电路如图乙所示,电源电压6V不变,R0的阻值为30Ω,电阻R1用总长为30cm、粗细均匀的电阻丝制成(其电阻与长度成正比),挡板初始位置在R1最左端。闭合开关,向右推动挡板的过程中,电流表示数        (变小/不变/变大),挡板推到最右端时,电流表示数为0.05A,此时电压表示数为        V。下表为九年级女生“坐位体前屈”国家体质标准,若小华进行测试时电压表示数为3V,则她的测试等级为        
九年级女生测试等级 不合格 合格 良好 优秀
挡板P移动距离L/cm <3.7 3.7≤L≤16.7 16.7<L<20.1 ≥20.1
共享时间:2025-03-01 难度:1 相似度:1.25
229515. (2020•高新一中•九上期中) 如图所示是一种自动测定油箱内油面高度的装置,R相当于电学元件中的       (填电路元件名称),油量表可用电流表来改装当油面升高时,R接入电路中的阻值       (选填“变大”、“变小”或“不变”),油量表示数       (选填“变大”、“变小”或“不变”),电阻R'作用是       德优题库
共享时间:2020-11-20 难度:1 相似度:1.25
188501. (2019•西工大附中•四模) 德优题库物理小组制作了一个自动控制器,其中有一个调压电路如图所示,滑动变阻器R的最大阻值是100欧,负载电阻R'的阻值为100欧,A、B间电压为10伏,保持不变。使用过程中发现这个电路的调压范围和原设计不符,检查结果是图中F处导线折断,滑动头P由上向下移动时,如果电路完好,CD两端的电压范围应是       伏至       伏;如果F点导线折断,CD两端的电压范围是       伏至       伏。
共享时间:2019-04-21 难度:1 相似度:1.25
195694. (2024•二十六中•三模) 德优题库科技小组的同学制作了一个利用电表测物体重力的“重力表”。如图所示,当秤盘内重物增加,“重力表”示数会变大,应选        (选填“电流”或“电压”)表进行改装。电源电压恒为6V,滑动变阻器R2最大阻值为10Ω,当秤盘不放任何重物时,滑片P恰好处于a端,物重每增加1N,a至P之间的电阻刚好增加0.4Ω。当放上一重物时,电流表示数为0.2A,电压表示数为1.6V,则电阻R1的阻值为        Ω,物体重为        N。
共享时间:2024-04-08 难度:1 相似度:1.25
207557. (2019•西工大附中•四模) 德优题库物理小组制作了一个自动控制器,其中有一个调压电路如图所示,滑动变阻器R的最大阻值是100欧,负载电阻R'的阻值为100欧,A、B间电压为10伏,保持不变。使用过程中发现这个电路的调压范围和原设计不符,检查结果是图中F处导线折断,滑动头P由上向下移动时,如果电路完好,CD两端的电压范围应是       伏至       伏;如果F点导线折断,CD两端的电压范围是       伏至       伏。
共享时间:2019-04-21 难度:1 相似度:1.25
229333. (2021•行知中学•九上期中) 德优题库如图所示电路,若要使小灯泡L1、L2串联,应只闭合开关       ;若要使小灯泡L1、L2并联,应同时闭合两个开关       ;若同时闭合两个开关       ,则会造成电源短路,是不允许的。
共享时间:2021-11-18 难度:1 相似度:1.25
23199. (2020•高新一中•九上期中) 如图所示是一种自动测定油箱内油面高度的装置,R相当于电学元件中的       (填电路元件名称),油量表可用电流表来改装当油面升高时,R接入电路中的阻值       (选填“变大”、“变小”或“不变”),油量表示数       (选填“变大”、“变小”或“不变”),电阻R'作用是       德优题库
共享时间:2020-12-09 难度:4 相似度:1.25
207329. (2020•临潼区•二模) 德优题库如图甲所示的电路中,R1为定值电阻,R2为滑动变阻器,电源电压为6V,电流表示数I与电压表示数U的变化关系如图乙所示。闭合开关S后,滑片P从b端移动到a端,电压表示数与电流表示数比值        (选填“变大”“变小”或“不变”),R1的阻值为        Ω,R2的最大值为        Ω。
共享时间:2020-03-16 难度:1 相似度:1.25
199301. (2023•师大附中•五模) 在如图甲所示的电路中,电源电压恒定不变,R0为定值电阻、R为电阻箱。闭合开关,多次调节电阻箱R的阻值,得到了电流表示数I的倒数与电阻箱阻值R的关系如图乙所示。则通过R0的最大电流为        A,电源电压为        V,R0的阻值为        Ω。
德优题库
共享时间:2023-05-04 难度:1 相似度:1.25
188144. (2024•唐南中学•六模) 德优题库如图是小明自制的一种测定油箱内油面高度的装置。油量表是由量程为0~0.6A的电流表改装而成的,滑动变阻器R的最大阻值为20Ω,从油量表指针所指的刻度,就可以知道油箱内油面的高度。已知电源电压为12V,当油箱内油面高度最高时,R的金属滑片在最下端,油量表指针满偏;当油箱内没有油时,R全部接入电路,油量表的读数最小。油量表的最小读数是        A;当油箱内油面的高度降为最高油面一半时,滑片正好在R的中点,据此推理油量表的刻度        (“均匀”、“不均匀”)。
共享时间:2024-05-16 难度:1 相似度:1.25
207908. (2018•师大附中•二模) 若把标有“12V、6W“字样和“12V、12W“的两个灯泡串联在电路中为了让两只灯泡都能长时间发光,则所能加的最大电压是       V(不考虑温度对灯丝电阻的影响)。
共享时间:2018-03-22 难度:1 相似度:1.25

zr@dyw.com

2024-03-09

初中物理 | | 填空与作图题

  • 下载量
  • 浏览量
  • 收益额
  • 0
  • 8
  • 0
相同试题
试题下载
试题内容
调用试题名称
共享人
唐老师
试题题型
解答题
试题难度
试题题源
2020*西工大*期末
下载次数
168次
下载金币
5德优币(当前结余18德优币)
温馨提示
该试题下载至自主题库后,下载、备课永久免费!
试卷设置
试卷名称
省市校区
阶段科目
年份卷型
选择类型
已选考点
在线训练
视频讲解
温馨提示
视频讲解正在加载中、请等待!
温馨提示
对不起!这是别人共享的试题,需要下载到自主题库后,可将该试题添加到白板
视频解析购买
支付方式
德优币数
本次消耗0德优币
温馨提示

客服电话:400-816-0029,服务邮箱:610066832@qq.com

视频资源

试题找茬
纠错类型
纠错描述
温馨提示
共享试题、试卷经平台审核通过后方可展示,并永久享用用户下载分红权!