服务热线
搜题▪组卷

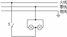
如图,小明家要安装两盏“220V,40W”的电灯,要求:开关S同时控制两灯泡,且两灯均能正常发光。先确定中间的那根输电线为零线还是火线,填到括号里;再按要求将图中元件用笔画线代替导线连起来。
ni@dyw.com
2025-03-08
初中物理 | | 填空与作图题