服务热线
搜题▪组卷

|
A.电压表V2的示数U2减小
|
B.电源的输出功率减小
|
|
C.
|
D.ΔU1<ΔU2
|

A.I增大,U1增大
C.I减小,U2增大
B..
不变,
增大
D.
不变,
增大
如图,电路中定值电阻阻值R大于电源内阻阻值r。将滑动变阻器滑片向下滑动,理想电压表V1、V2、V3示数变化量的绝对值分别为ΔV1、ΔV2、ΔV3,理想电流表A示数变化量的绝对值为ΔI,则( )
A.A的示数增大
C.V2的示数增大
B.ΔV3与ΔI的比值大于r
D.ΔV1大于ΔV2
A.电压表示数变大,电流表示数变小
B.电压表示数变小,电流表示数变大
C.电压表示数变小,电流表示数变小
D.电压表示数变大,电流表示数变大
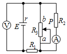
为了儿童安全,布绒玩具必须检测其中是否存在金属断针,可以先将玩具放置强磁场中,若其中有断针,则断针被磁化,用磁报警装置可以检测到断针的存在.如图所示是磁报警装置中的一部分电路示意图,其中RB是磁敏传感器,它的电阻随断针的出现而减小,a、b接报警器,当传感器RB所在处出现断针时,电流表的电流I、ab两端的电压U将( )
A.I变大,U变大
C.I变小,U变小
B.I变大,U变小
D.I变小,U变大
A.V的读数变大,A的读数变小
B.V的读数变大,A的读数变大
C.V的读数变小,A的读数变小
D.V的读数变小,A的读数变大
A.小灯泡L1、L2均变暗
B.小灯泡L1变暗,L2变亮
C.电流表A的读数变小,电压表V的读数变大
D.电流表A的读数变大,电压表V的读数变小
A.电压表示数变大,电流表示数变小
B.电压表示数变小,电流表示数变大
C.电压表示数变大,电流表示数变大
D.电压表示数变小,电流表示数变小
A.A灯变亮、B灯变亮、C灯变亮
B.A灯变暗、B灯变亮、C灯变暗
C.A灯变亮、B灯变暗、C灯变暗
D.A灯变暗、B灯变暗、C灯变亮
如图,电路中定值电阻阻值R大于电源内阻阻值r,将滑动变阻器滑片向下滑动,理想电压表V1、V2、V3示数变化量的绝对值分别为ΔU1、ΔU2、ΔU3,理想电流表A示数变化量的绝对值为ΔI,正确的是( )
A.V2的示数增大
C.电源输出功率在减小
B.ΔU3与ΔI的比值在减小
D.ΔU1大于ΔU2

A.托盘中没有放物体时,电压表示数为零,是因为滑动变阻器R所分电压为零
B.放入托盘中的物体质量越大,电路中的总电流越大
C.放入托盘中的物体质量越大,限流电阻R0两端的电压越小
D.电压表示数U与弹簧压缩量x的关系为U=
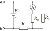
某课题组为探测磁场的有无,利用磁敏电阻作为传感器设计如图电路,且知磁敏电阻在无磁场时电阻很小,有磁场时电阻变大,并且磁场越强阻值越大。电源的电动势和内阻不变,在无磁场时调节变阻器R使小灯泡L正常发光,若探测装置从无磁场区进入强磁场区,下列说法正确的有( )
A.通过滑动变阻器的电流变大
B.磁敏电阻两端电压变小
C.电压表的示数变小
D.小灯泡L亮甚至烧毁
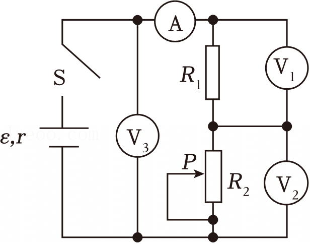
在如图所示电路中,定值电阻阻值R大于电源内阻阻值r。闭合电键K,当滑动变阻器的滑动触头P向下滑动时,理想电压表V1、V2、V3示数变化量的绝对值分别为ΔU1、ΔU2、ΔU3,理想电流表A示数变化量的绝对值为ΔI,则( )
A.A的示数减小
B.ΔU1大于ΔU2
C.ΔU3与ΔI的比值等于R+r
D.电源的输出功率一定增大
某学校创建绿色校园,新装了一批节能灯,如图甲所示,该路灯通过光控开关实现自动控制;电灯的亮度可自动随周围环境的亮度改变而改变。图乙为其内部电路简化原理图,电源电动势为E,内阻为r,RL为光敏电阻(光照强度增加时,其电阻值减小)。现减小光照强度,则下列判断不正确的是( )
A.电源的效率变大
B.A灯和B灯都变亮
C.R0两端电压变小
D.电源内部发热的功率不变
cw@dyw.com
2024-11-17
高中物理 | 高二上 | 选择题