首页 | 客服 | 上传赚现
AI助手
德优题库AI助手

AI助手

搜题▪组卷

(1)

服务热线

400-816-0029

    自建题库,共享分红

德优题库QQ交流群

159246. (2023•西电中学•高二上二月) 德优题库如图甲、乙两电路,利用一个表头G(500μA,200Ω)和一个电阻箱R改装成电压表或电流表,若电压表量程为0-3V,电流表量程为0~25mA,则(  )

A.甲表是电压表,乙表是电流表

B.甲表中R=50Ω,乙表中R=5800Ω

C.若使用中发现甲表的示数总比准确值稍小一些,则可适当减小电阻箱R的阻值

D.若使用中发现乙表的示数总比准确值稍小一些,则可适当减小电阻箱R的阻值

共享时间:2023-12-15 难度:2
[考点]
把表头改装成电压表,把表头改装成电流表,
[答案]
D
[解析]
解:A.甲由一个灵敏电流表G和一个变阻器R并联,利用并联电阻的分流,可以改装成大量程电流表,乙由一个灵敏电流表G和一个变阻器R串联,利用串联电阻的分压,可以改装成电压表。故A错误;
B.根据公式可知,在甲图中,若改装成的电流表的量程为25mA
代入数据解得R=4.08Ω
由公式U=Ig(Rg+R)知,在乙图中,若改装成的电压表的量程为3V
代入数据解得R=5800Ω
故B错误;
C.若使用中发现甲表的示数总比准确值稍小一些,是通过表头的电流小了一些,是因为并联的电阻太小了,则可适当增大电阻箱R的阻值,根据并联电路的分流原理,可知可使表头分流更大。故C错误;
D.乙表的示数总比准确值稍小一些,说明串联的分压电阻偏大,以至于其分压较大,表头G分得的电压偏小,则可通过适当减小电阻箱R的阻值,使表头所分电压多一些。故D正确。
故选:D。
[点评]
本题考查了"把表头改装成电压表,把表头改装成电流表,",属于"易错题",熟悉题型是解题的关键。
转载声明:
本题解析属于发布者收集录入,如涉及版权请向平台申诉! !版权申诉
考点说明
灰色代表去掉的考点,绿色代表未变动的考点,红色代表新增的考点
161411. (2023•西工大附中•高一下期末) 德优题库如图所示,甲、乙两个电路都是由一个灵敏电流表G和一个变阻器R组成,下列说法正确的是(  )

A.甲表是电流表,R增大时量程增大

B.甲表是电流表,R增大时量程减小

C.乙表是电压表,R增大时量程增大

D.乙表是电压表,R增大时量程减小

共享时间:2023-07-29 难度:2 相似度:2
158393. (2024•铁一中学•高二上一月) 如图所示,表头G的量程为Ig,表盘均匀划分为30个小格,表头G的内阻Rg是电阻R1的29倍,电阻R2是Rg的30倍,下列说法正确的是(  )

A.将接线柱1,2串联接入电路时,该装置可视为电流表,每一小格表示

B.将接线柱1,2串联接入电路时,该装置可视为电流表,每一小格表示Ig 

C..将接线柱1、3并联接入电路时,该装置可视为电压表,每一小格表示

D..将接线柱1、3并联接入电路时,该装置可视为电压表,每一小格近似为30IgRg

共享时间:2024-10-29 难度:2 相似度:2
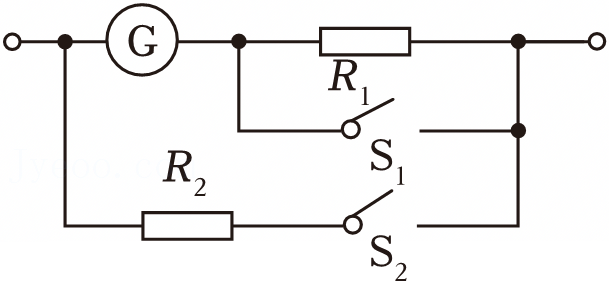
158895. (2023•长安区一中•高二上一月) 在如图所示的电路中,小量程电流表G的内阻Rg=10Ω,满偏电流Ig=1mA,R1=90Ω,,下列说法正确的是(  )

A.当S1和S2均断开时,改装成的表是电流表

B.当S1和S2均闭合时,改装成的是量程为100mA的电流表

C.S1和S2均闭合时,改装成的表是电压表

D.S1和S2均断开时,改装成的是量程为10V的电压表

共享时间:2023-10-12 难度:2 相似度:2
161509. (2023•西工大附中•高一下期末) 德优题库如图所示,甲、乙两个电路都是由一个灵敏电流表G和一个变阻器R组成,下列说法正确的是(  )

A.甲表是电流表,R增大时量程增大

B.甲表是电流表,R增大时量程减小

C.乙表是电压表,R增大时量程增大

D.乙表是电压表,R增大时量程减小

共享时间:2023-07-01 难度:2 相似度:2
162099. (2024•华清中学•高二上期中) 德优题库如图所示,某同学将量程为100mA、内阻为10Ω的表头G改装成电压量程为3V、电流量程为0.6A的“双用电表”,则(  )

A.图中表笔A应为红色

C.图中表笔A应为黑色

B.电阻R2为10Ω

D.电阻R1为2Ω

共享时间:2024-11-26 难度:2 相似度:2
162178. (2024•西安八十五中•高二上期中) 德优题库如图所示,某同学用微安表头(量程100μA,内阻900Ω)改装成一个量程为1mA的直流电流表,在此基础上再将它改装成量程为3V的直流电压表。则R1和R2的阻值分别为(  )

A.100Ω  29100Ω

C.100Ω  2910Ω

B.10Ω  29100Ω

D.10Ω  2910Ω

共享时间:2024-11-17 难度:2 相似度:2
158732. (2023•西安中学•高三上二月) 德优题库由相同的电流表改装而成的三个电压表按如图所示的方式接入电路,已知V3的量程最大,V1的量程最小,且V3的量程等于V1与V2的量程之和,当电路导通时,三个电压表的示数分别为U1、U2、U3,指针偏转的角度分别为θ1、θ2、θ3,则有(  )

A.U1<U2,θ1<θ2

C.U1<U2,θ1>θ2

B.U1+U2=U3,θ123

D.U1+U2=U3,θ12=2θ3

共享时间:2023-12-16 难度:1 相似度:1.5
159050. (2023•铁一中学•高二上一月) 电流表的内阻Rg=200Ω,满偏电流Ig=1mA,把这个电流表改装成量程为1V的电压表,正确的方法是(  )

A.应并联一个0.2Ω的电阻

C.应串联一个1800Ω

B.应串联一个800Ω的电阻

D.应并联一个0.2Ω

共享时间:2023-10-25 难度:1 相似度:1.5
159909. (2021•雁塔二中•高二上一月) 现有一只内阻为500Ω,满偏电流为1mA的电流表,要求改装成量程是0~10V的电压表,改装方法为(  )

A.与电流表串联9500Ω的定值电阻

B.与电流表串联10000Ω的定值电阻

C.与电流表并联9500Ω的定值电阻

D.与电流表并联10000Ω的定值电阻

共享时间:2021-10-28 难度:2 相似度:1
162979. (2021•周至中学•高二上期中) 德优题库如图所示,双量程电压表由表头G和两个电阻串联而成。已知该表头的内阻Rg=500Ω,满偏电流Ig=1mA。下列说法正确的是(  )

A.表头G的满偏电压为500V

B.使用a、b两个端点时,其量程比使用a、c两个端点时大

C.使用a、b两个端点时,若量程为0~10V,则R1为9.5kΩ

D.使用a、c两个端点时,若量程为0~100V,则(R1+R2)为99.5kΩ

共享时间:2021-11-29 难度:2 相似度:1

ym@dyw.com

2023-12-15

高中物理 | 高二上 | 选择题

  • 下载量
  • 浏览量
  • 收益额
  • 0
  • 13
  • 0
相同试题
试题下载
试题内容
调用试题名称
共享人
唐老师
试题题型
解答题
试题难度
试题题源
2020*西工大*期末
下载次数
168次
下载金币
5德优币(当前结余18德优币)
温馨提示
该试题下载至自主题库后,下载、备课永久免费!
试卷设置
试卷名称
省市校区
阶段科目
年份卷型
选择类型
已选考点
在线训练
视频讲解
温馨提示
视频讲解正在加载中、请等待!
温馨提示
对不起!这是别人共享的试题,需要下载到自主题库后,可将该试题添加到白板
视频解析购买
支付方式
德优币数
本次消耗0德优币
温馨提示

客服电话:400-816-0029,服务邮箱:610066832@qq.com

视频资源

试题找茬
纠错类型
纠错描述
温馨提示
共享试题、试卷经平台审核通过后方可展示,并永久享用用户下载分红权!